線控底盤關鍵零部件之電磁閥
2025-06-04 10:06:38電磁閥作為流體控制的關鍵執行元件,憑借其快速響應、高精度控制和可靠性等優勢,在新能源汽車的制動和懸架系統中扮演著極其重要的角色,不可或缺。硬質橡膠產品

1. 電磁閥在制動系統中的應用
1.1 制動力分配與防抱死控制(ABS)
新能源汽車的制動系統需要協調傳統摩擦制動與能量回收制動。電磁閥在此過程中通過精確控制制動液壓力,實現制動力在四輪間的動態分配。橡膠硅膠材料密封結構
在ABS系統中,電磁閥采用高速開關閥(二位二通閥),通過高頻PWM(脈沖寬度調制)控制占空比,實現制動壓力的增壓、保壓和減壓。例如,常開電磁閥允許制動液流動以增加壓力,而常閉電磁閥則阻斷流動以保持壓力穩定。
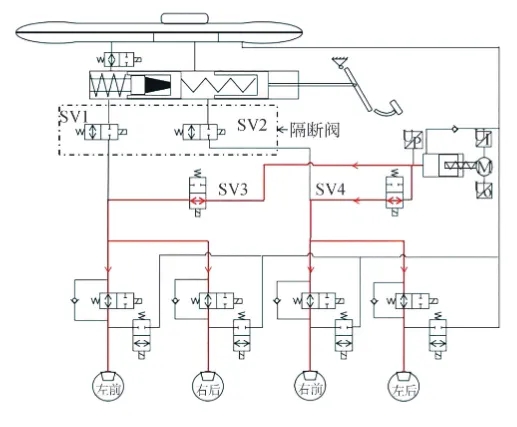
在hEMB系統(混合方案)中,前輪采用EMB電機驅動,后輪保留液壓制動,通過電磁閥實現前后制動力分配及故障切換。當發生電氣故障時,電磁閥開啟,駕駛員踏板力通過液壓路徑直接作用于后輪卡鉗。汽車高壓連接器硅橡膠圖片

如圖所示,兩個隔斷電磁閥SV1、SV2實現了踏板模擬器和輪缸兩個液壓回路的解耦作用。可實現駕駛員踏板解耦的制動系統,除了集成式電液制動系統外,采用電子踏板、電子控制單元和輪端控制模塊(電機)的電子機械制動EMB系統、電磁制動系統等,也可實現駕駛員與制動卡鉗之間的解耦。新能源橡膠密封圈廠家
1.2 能量回收與制動協同
在能量回收制動中,電磁閥需與整車控制器(VCU)協同工作。當駕駛員輕踩制動踏板時,電磁閥優先啟動能量回收模式,通過調節液壓系統壓力,減少機械制動的介入,將動能轉化為電能儲存。在緊急制動或電池滿電時,電磁閥快速切換至傳統摩擦制動模式,確保安全性。例如,博世iBooster系統通過電磁閥實現電液耦合,減少對真空助力的依賴。新能源電池箱體橡膠密封
2. 電磁閥在懸架系統中的應用

2.1 空氣懸架的高度與剛度調節
高端新能源車型(如仰望U7)采用主動空氣懸架,電磁閥在此系統中承擔氣體流量控制的核心功能。出售儲能產業橡膠硅膠配件定制廠家
高度調節:通過電磁閥控制壓縮空氣進入氣囊的流量,實現車身抬升或下降。例如,高速行駛時降低車身以減少風阻,越野時抬升底盤以增加通過性。汽車橡膠硅膠配件批發廠家
剛度調節:電磁閥結合傳感器信號動態調整氣囊內氣壓,改變懸架阻尼特性。例如,云輦-Z系統通過算法迭代,可在10ms內完成剛度調整,實現“過坎不跳”的平順性。耐高溫橡膠密封圈
2.2 主動阻尼控制(CDC)
在電磁懸架(如特斯拉Model S Plaid)中,電磁閥通過調節液壓油路流量,改變減震器阻尼力。當檢測到顛簸路面時,電磁閥增大油液流通截面積,降低阻尼力以提升舒適性;在高速過彎時,電磁閥縮小流通面積,增加阻尼力以抑制側傾。專業定做汽車橡膠硅膠配件廠家
特別聲明:內容來源 華若汀云想電驅動 僅供參考,以傳遞更多信息而不是盈利。版權屬于原作者。如有侵權,請聯系刪除。







